

For the VHF project, we installed about 115 cabinets worth of radio transmitters and receivers that we integrated into NYCT's existing fiber optic backbone to allow back and forth wireless communication of train conductors and station managers with NYCT's two command centers.
We installed new Benning Power Plants, environmental sensors, GPS, channel banks, audio combiners, network & alarm management, firewall, EMI shielding, remote dispatch consoles and antenna tie points.
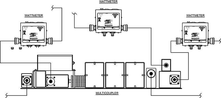
We had to convert a wide band VHF radio to narrowband across 115 train stations to provide coverage within the entire NYCT subway network.
The overall project included system integration management, system design drawings, cutover wires involving 115 sites of bulletins, project management, Factory Acceptance test (FAT), Site Acceptance Test (SAT), simulation for concept approval, creating a pilot program of 4 base stations, installed GPS antenna per site, Simulcast software integration for simultaneous broadcast, built cabinets and performed shock testing for each of the 115 sites.
Need help with improving security? Or increased surveillance monitoring? Or setting up messaging over video/audio?
Whether it's wired or wireless... we got you covered!